产品中心 > ISO真空管件产品
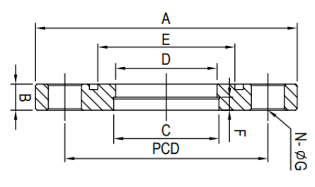
钻孔法兰带槽
PVD、CVD、ETCH
坚固、精密、洁净、专业

赛米瑟 ISO 是专门为 2 寸以上管径设计,ISO 法兰可以分为 ISO-K 和ISO-F 两种规格,ISO-K 是用勾型配件进行紧固,ISO-F 是采用螺栓紧固。

产品规格型号

image.png

image.png

产品介绍

赛米瑟 ISO 是专门为 2 寸以上管径设计,ISO 法兰可以分为 ISO-K 和ISO-F 两种规格,ISO-K 是用勾型配件进行紧固,ISO-F 是采用螺栓紧固。


密封方式与 KF 法兰相同,采用中心支架 O 型圈进行密封,ISO 管件的真空度可以低至 1*10-8Torr,最高耐温到达 200 度。


ISOK 和 ISOF 法兰管件都开发了各种国际通用的转接头、三通、弯头等标准件,可以满足真空系统各种各样的组合要求,管件的拆装方便快捷,不需要专业工具,配件均能重复使用。

其他产品