产品中心 > KF真空管件产品
锥形缩径法兰
PVD、CVD、ETCH
坚固、精密、洁净、专业

赛米瑟 KF 法兰依照国际标准化组织规格设计制造,与现行国际厂牌规格通用(KF-ISO 规格)。

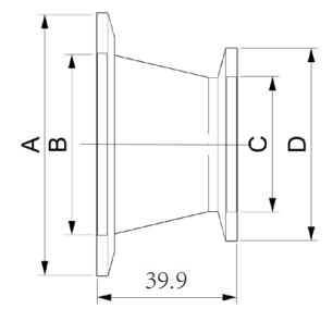
产品规格型号

image.png

image.png

产品介绍

赛米瑟 KF 法兰依照国际标准化组织规格设计制造,与现行国际厂牌规格通用(KF-ISO 规格)。


可供选择的材质规格有 sus304,sus316L 和铝合金(AL6061)。


KF 法兰快速、简易的设计,可方便使用者高效的进行管件的组合和拆卸,可以重复使用。并且不需要采用专业工具就可以操作。


法兰对应的管径范围从 1/2 寸到 2 寸。


法兰外部斜面设计,卡箍紧固时,增加法兰面的紧固力,中心支架 O型圈置于法兰密封面的中间,提供管件的稳定性和密封性。


KF 管件的真空度可以低至 1*10-8Torr,最高耐温到达 200 度。

其他产品