产品中心 > CF真空管件产品
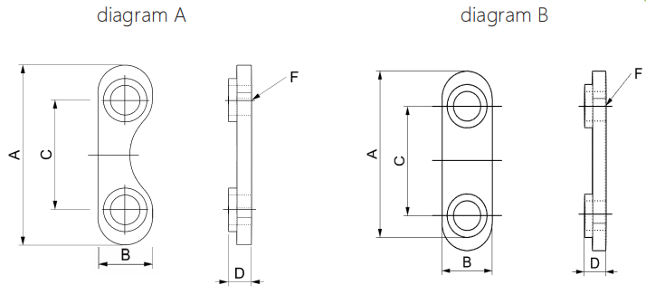
板螺母-公制牙
PVD、CVD、ETCH
坚固、精密、洁净、专业

赛米瑟CF刀口法兰,法兰尺寸从CF16至CF350,并有固定式和活套式产品可供选用。CF 法兰产品采用高品质不锈钢洁净材料,高精度加工,适用于高真空和超高真空的应用,有 SUS304,SUS316L 材质可供选择。

产品规格型号

image.png

image.png

产品介绍

CF 法兰产品采用高品质不锈钢洁净材料,高精度加工,适用于高真空和超高真空的应用,有 SUS304,SUS316L 材质可供选择。


CF 法兰采用无氧铜密封圈可以有效的与 CF 法兰进行密封,最低真空度可以达到 1x10-10Torr。无氧铜可以耐 450℃的高温,可以适用于真空腔体和管件的高温烘烤。


赛米瑟真空产品的焊点全部进行真空检漏,产品清洗经过超声波清洗设备清洗,对于半导体行业严苛的清洁要求,采用超纯水,去离子水清洗,并在无尘环境进行干燥和包装,确保产品的洁净度。


其他产品